Cant find your Part?
Description
Description
The WP3391912 Dryer High Limit Thermostat is a reliable and essential component for your dryer. With its high limit function, it ensures your dryer operates at a safe and efficient temperature, preventing overheating and potential damage. Trust in its precision and quality to keep your clothing looking and feeling its best.
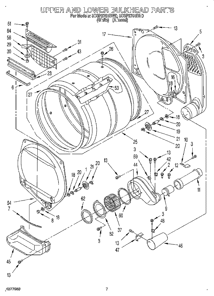
See part 48 in the diagram
Part number WP3391912 replaces 3391912
Supported Models:
3CSP2761BN0, 3CSP2761BW0, 3CSP2761BW1, 7MMGDB835EW0, 7MMGDB850WL0, 7MMGDB850WL1, 7MMGDB855EC0, 7MMGDB855EC1, 7MMGDB950AG0, 7MMGDB950AG1, 7MMGDX550XW0, 7MMGDX550XW1, 7MMGDX600BW0, 7MMGDX700BG0, 7MMGDX700YL0, 7MMGDX700YL1, 7MWGD5550XW0, 7MWGD5550XW1, 7MWGD5600BW0, 7MWGD5700BC0, 7MWGD5700YW0, 7MWGD5700YW1, 7MWGD72HEDW0, 7MWGD72HEDW1, 7MWGD75HEFW0, 7MWGD8000EW0, 7MWGD8000EW1, 7MWGD8000EW2, 7MWGD81HEDW0, 7MWGD8500EC0, 7MWGD8500EC1, 7MWGD8500EC2, 7MWGD87HEDC0, 7MWGD87HEDC1, 7MWGD8800AW1, 7MWGD90HEFC0, 7MWGD90HEFW0, 7MWGD9150XW0, 7MWGD9150XW1, 7MWGD9150XW2, 7MWGD9270XL0, 7MWGD9270XL1, 7MWGD9270XR0, 7MWGD9270XR1, 7MWGD95HEDU0, 7MWGD97HDBD0, BSG17B6ANA0, BSG17BVANA0, CDG8990XW1, CG1751XWN0, CG1751XWN1, CG1751XWW0, CG1751XWW1, CG1751XYN0, CG1751XYW0, CGD8990XW0, CGD8990XW1, CGD8990XW2, CGD9050AW0, CGD9050AW1, CGD9060AW0, CGD9060AW1, CGE2761KQ0, CGE2761KQ1, CGE2761KQ2, CGE2791KQ0, CGE2791KQ1, CGE2791KQ2, CGM2743BQ0, CGM2751JQ0, CGM2751KQ0, CGM2751KQ1, CGM2751KQ2, CGM2751KQ3, CGM2751TQ0, CGM2751TQ1, CGM2751TQ2, CGM2751TQ3, CGM2761JQ0, CGM2761KQ0, CGM2761KQ1, CGM2761KQ2, CGM2761KQ3, CGM2761TQ0, CGM2761TQ1, CGM2761TQ2, CGM2761TQ3, CGM2763BQ0, CGM2793BQ0, CGP2761KQ0, CGP2761KQ1, CGP2761KQ2, CGT8000AQ0, CGT8000AQ1, CGT8000XQ0, CGW2761AN0, CGW2761AN1, CGW2761AW0, CGW2761AW1, CGW2761EW0, CGW2791EW0, CGW9100VQ0, CGW9100WQ0, CS5100XSW0, CS5100XSW1, CS5100XWN0, CS5100XWW0, CS5105XWN0, CS5105XWW0, CSP2741KQ0, CSP2741KQ1, CSP2741KQ2, CSP2741KQ3, CSP2761AN0, CSP2761AN1, CSP2761AN2, CSP2761AW0, CSP2761AW1, CSP2761AW2, CSP2761EW0, CSP2761EW1, CSP2761HW0, CSP2761KQ0, CSP2761KQ1, CSP2761KQ2, CSP2761KQ3, CSP2761TQ0, CSP2761TQ1, CSP2761TQ2, CSP2761TQ3, CSP2761TQ4, CSP2771AN0, CSP2771AN1, CSP2771AN2, CSP2771AW0, CSP2771AW1, CSP2771AW2, CSP2771EW0, CSP2771HW0, CSP2771KQ0, CSP2771KQ1, CSP2771KQ2, CSP2791BN0, CSP2791BW0, CSP2861TQ0, CSP2861TQ1, IGD7300WW0, IGD7300WW1, MDG17CSAWW1, MDG17CSAWW2, MDG17MNAWW1, MDG17MNAWW2, MDG17PDAWW1, MDG17PDAWW2, MDG17PDAXW1, MDG17PDAXW2, MDG17PRAWW0, MDG17PRAWW1, MDG17PRAWW2, MDG18CSAWW0, MDG18MNAWW0, MDG18PDAWW0, MDG18PDAXW0, MDG18PRAWW0, MDG22PDBWW0, MDG22PDBXW0, MDG22PRBWW0, MDG25PDAWW0, MDG25PDAWW1, MDG25PDAWW2, MDG25PDAXW0, MDG25PDAXW1, MDG25PDAXW2, MDG25PRAWW0, MDG25PRAWW1, MDG25PRAWW2, MDG28PDCWW0, MDG28PDCXW0, MDG28PRCWW0, MGD3000BW0, MGD3000BW1, MGD3100DW0, MGD3100DW1, MGD3500FW0, MGD4000BW1, MGD4100DW0, MGD4200BG0, MGD4200BG1, MGD4200BW0, MGD4200BW1, MGD5100DC0, MGD5100DC1, MGD5100DW0, MGD5100DW1, MGD5500FC0, MGD5500FW0, MGD6000AG0, MGD6000AG1, MGD6000AW0, MGD6000AW1, MGD6000XG0, MGD6000XG1, MGD6000XG2, MGD6000XR0, MGD6000XR1, MGD6000XR2, MGD6000XW0, MGD6000XW1, MGD6000XW2, MGD7000AG0, MGD7000AG1, MGD7000AW0, MGD7000AW1, MGD7000XG0, MGD7000XG1, MGD7000XG2, MGD7000XR0, MGD7000XR1, MGD7000XW0, MGD7000XW1, MGD7000XW2, MGD7100DC0, MGD7100DC1, MGD7100DW0, MGD7100DW1, MGD8000AG0, MGD8000AG1, MGD8000AW0, MGD8000AW1, MGD8100DC0, MGD8100DC1, MGD8100DW0, MGD8100DW1, MGD8200FC0, MGD8200FW0, MGD9000YG0, MGD9000YG1, MGD9000YG2, MGD9000YR0, MGD9000YR1, MGD9000YW0, MGD9000YW1, MGD9000YW2, MGDB200VQ0, MGDB200VQ1, MGDB400VQ0, MGDB400VQ1, MGDB700BW0, MGDB700VQ0, MGDB725BW0, MGDB750YW0, MGDB750YW1, MGDB750YW2, MGDB750YW3, MGDB800VB0, MGDB800VQ0, MGDB800VU0, MGDB835DW0, MGDB835DW1, MGDB835DW2, MGDB850WB0, MGDB850WB1, MGDB850WL0, MGDB850WL1, MGDB850WQ0, MGDB850WQ1, MGDB850WR0, MGDB850WR1, MGDB850YG0, MGDB850YG1, MGDB850YG2, MGDB850YG3, MGDB850YW0, MGDB850YW1, MGDB850YW2, MGDB850YW3, MGDB855DC0, MGDB855DC3, MGDB855DW0, MGDB855DW3, MGDB880BW0, MGDB950YG0, MGDB950YG1, MGDB950YG2, MGDB950YG3, MGDB950YW0, MGDB950YW1, MGDB950YW2, MGDB950YW3, MGDB955FC0, MGDB955FW0, MGDB980BG0, MGDB980BW0, MGDE200XW0, MGDE200XW1, MGDE201YW0, MGDE201YW1, MGDE201YW2, MGDE250XL0, MGDE250XL1, MGDE251YG0, MGDE251YL0, MGDE300VF0, MGDE300VF1, MGDE300VF2, MGDE300VF3, MGDE300VW0, MGDE300VW1, MGDE300VW3, MGDE301YG0, MGDE301YW0, MGDE400XR0, MGDE400XR1, MGDE400XW0, MGDE400XW1, MGDE500VF0, MGDE500VF1, MGDE500VP0, MGDE500VP1, MGDE500VW0, MGDE500VW1, MGDE500VW2, MGDE500VW3, MGDE500WJ0, MGDE500WJ1, MGDE500WR0, MGDE500WR1, MGDE900VJ0, MGDE900VJ1, MGDE900VJ2, MGDE900VW0, MGDE900VW1, MGDE900VW2, MGDP475EW0, MGDX500XL0, MGDX500XL1, MGDX500XW0, MGDX500XW1, MGDX500XW2, MGDX550XW0, MGDX550XW1, MGDX5SPAW0, MGDX600XL0, MGDX600XL1, MGDX600XW0, MGDX600XW1, MGDX600XW2, MGDX700AG0, MGDX700AG1, MGDX700XL0, MGDX700XL1, MGDX700XL2, MGDX700XW0, MGDX700XW1, MGDX700XW2, MGDZ600TB2, MGDZ600TE2, MGDZ600TK2, MGDZ600TW2, MLE20PDAZW0, MLE20PDBZW0, MLE20PDBZW1, MLE20PDBZW2, MLE20PDCZW0, MLE20PRAZW0, MLE20PRBZW0, MLE20PRBZW1, MLE20PRBZW2, MLE20PRCZW0, MLG20PDAWW0, MLG20PDBWW0, MLG20PDBWW2, MLG20PDCWW0, MLG20PDCWW1, MLG20PRAWW0, MLG20PRBWW0, MLG20PRBWW2, MLG20PRCWW0, MLG20PRCWW1, MLG24PDAWW0, MLG24PDAWW1, MLG24PDAWW2, MLG24PDAWW3, MLG24PDAXW0, MLG24PDAXW1, MLG24PDAXW2, MLG24PDAXW3, MLG24PRAWW0, MLG24PRAWW1, MLG24PRAWW2, MLG24PRAWW3, MLG25PRAWW0, MLG26PDBWW0, MLG26PDBWW1, MLG26PDBXW0, MLG26PDBXW1, MLG26PRBWW0, MLG26PRBWW1, MLG26PRKWW0, MLG27PDBWW0, MLG27PDBWW1, MLG27PDBXW0, MLG27PDBXW1, NGD5700BW0, NGD5800DW0, NGD5800DW1, NGD7300WW0, NGD7300WW1, NGD7500VM1, NGD7500VW0, NGD7500VW1, WGD5500BW0, WGD5500XL0, WGD5500XL1, WGD5500XW0, WGD5500XW1, WGD5500XW2, WGD5550XW0, WGD5550XW1, WGD5600XW0, WGD5600XW1, WGD5600XW2, WGD5610XW0, WGD5610XW1, WGD5610XW2, WGD5700AC0, WGD5700AC1, WGD5700XL0, WGD5700XL1, WGD5700XW0, WGD5700XW1, WGD5800BC0, WGD5800BW0, WGD5810BW0, WGD70HEBW0, WGD70HEBW1, WGD71HEBW0, WGD71HEDW0, WGD72HEDW0, WGD72HEDW1, WGD7505FW0, WGD7590FW0, WGD75HEFW0, WGD7990XG0, WGD8000BW0, WGD8000DW0, WGD8000DW1, WGD8000DW2, WGD8000DW3, WGD80HEBC0, WGD80HEBW0, WGD80HEBW1, WGD8100BW0, WGD81HEDW0, WGD81HEDW1, WGD8200YW3, WGD8500BC0, WGD8500BR0, WGD8500BW0, WGD8500DC0, WGD8500DC1, WGD8500DC2, WGD8500DR0, WGD8500DR1, WGD8500DW0, WGD8500DW1, WGD8500DW2, WGD8600YW3, WGD86HEBC0, WGD86HEBW0, WGD8700EC0, WGD8700EC2, WGD8740DC0, WGD8740DW0, WGD8740DW1, WGD87HEDC1, WGD87HEDW1, WGD8800YC3, WGD8800YW3, WGD88HEAC0, WGD88HEAC1, WGD88HEAC2, WGD88HEAW0, WGD88HEAW1, WGD88HEAW2, WGD8900BC0, WGD8900BW0, WGD9050XW0, WGD9050XW1, WGD9050XW2, WGD9050XW3, WGD9051YW0, WGD9051YW1, WGD9051YW2, WGD9051YW3, WGD90HEFC0, WGD90HEFW0, WGD9150WW0, WGD9150WW1, WGD9151YW0, WGD9151YW1, WGD9250WL0, WGD9250WR0, WGD9250WW0, WGD9270XL0, WGD9270XL1, WGD9270XR0, WGD9270XR1, WGD9270XW0, WGD9270XW1, WGD92HEFBD0, WGD92HEFC0, WGD92HEFU0, WGD92HEFW0, WGD9371YL0, WGD9371YL2, WGD9371YW0, WGD9371YW2, WGD9400SW3, WGD9400SZ3, WGD9450WL2, WGD9450WR2, WGD9450WW2, WGD9470WL1, WGD9470WL2, WGD9470WR1, WGD9470WR2, WGD9470WW1, WGD9470WW2, WGD9470WW3, WGD94HEAC0, WGD94HEAC1, WGD94HEAC2, WGD94HEAW0, WGD94HEAW1, WGD94HEAW2, WGD94HEXL0, WGD94HEXL1, WGD94HEXL2, WGD94HEXR0, WGD94HEXR1, WGD94HEXR2, WGD94HEXW0, WGD94HEXW1, WGD94HEXW2, WGD9500EC0, WGD9500EW0, WGD9500TW4, WGD9550WL2, WGD9550WL3, WGD9550WR2, WGD9550WW2, WGD9550WW3, WGD95HEDC0, WGD95HEDC1, WGD95HEDU0, WGD95HEDU1, WGD95HEDW0, WGD95HEDW1, WGD95HEXL0, WGD95HEXL1, WGD95HEXL2, WGD95HEXR0, WGD95HEXR1, WGD95HEXW0, WGD95HEXW1, WGD95HEXW2, WGD9610XW0, WGD9610XW1, WGD96HEAC0, WGD96HEAC1, WGD96HEAC2, WGD96HEAU0, WGD96HEAU1, WGD96HEAU2, WGD96HEAW0, WGD96HEAW1, WGD96HEAW2, WGD96HEYW0, WGD9750WL1, WGD9750WL2, WGD9750WR1, WGD9750WW1, WGD9750WW2, WGD97HEDBD0, WGD97HEDBD1, WGD97HEDC0, WGD97HEDC1, WGD97HEDU0, WGD97HEDU1, WGD97HEDW0, WGD97HEDW1, WGD97HEXL0, WGD97HEXL1, WGD97HEXL2, WGD97HEXL3, WGD97HEXL4, WGD97HEXR0, WGD97HEXR1, WGD97HEXR2, WGD97HEXW0, WGD97HEXW1, WGD97HEXW2, WGD97HEXW3, WGD97HEXW4, WGD98HEBU0
Payment & Security
Your payment information is processed securely. We do not store credit card details nor have access to your credit card information.
-
Product title
$12.34 CAD -
Product title
$12.34 CAD -
Product title
$12.34 CAD -
Product title
$12.34 CAD -
Product title
$12.34 CAD -
Product title
$12.34 CAD -
Product title
$12.34 CAD -
Product title
$12.34 CAD -
Product title
$12.34 CAD -
Product title
$12.34 CAD -
Product title
$12.34 CAD -
Product title
$12.34 CAD -
Product title
$12.34 CAD -
Product title
$12.34 CAD -
Product title
$12.34 CAD



